Nissan Patrol GU3 6 Litre L77 Conversion Page 1

After the ZD30 expired, a decision was made to fit a LS L77 6 Litre GM Engine.
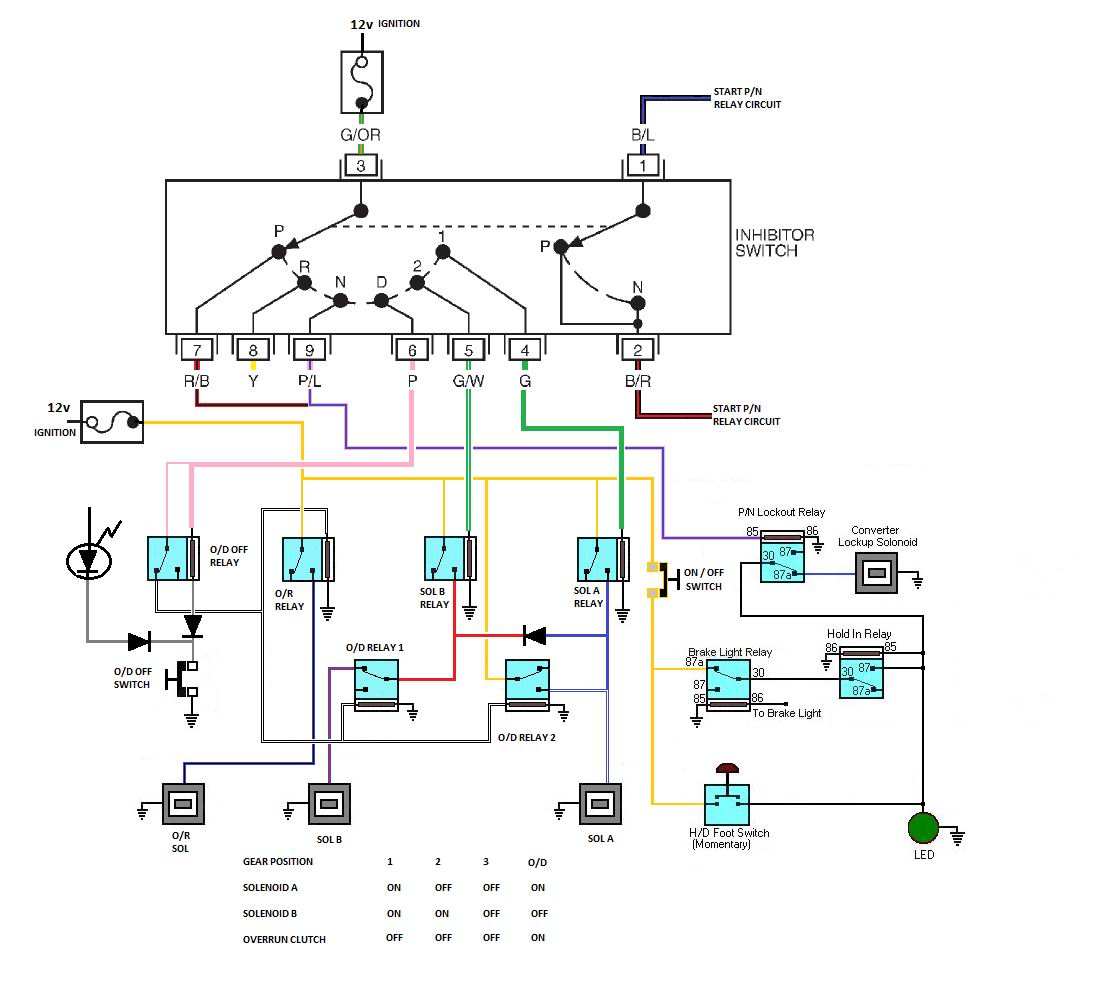
Hold Over the Pictures for comments.

NEXT